[vc_row][vc_column width=”1/2″][vc_column_text]

[/vc_column_text][/vc_column][vc_column width=”1/2″][vc_column_text]
Supervisor trifásico tempo ajustável
Tipo: DPX-138
Introdução
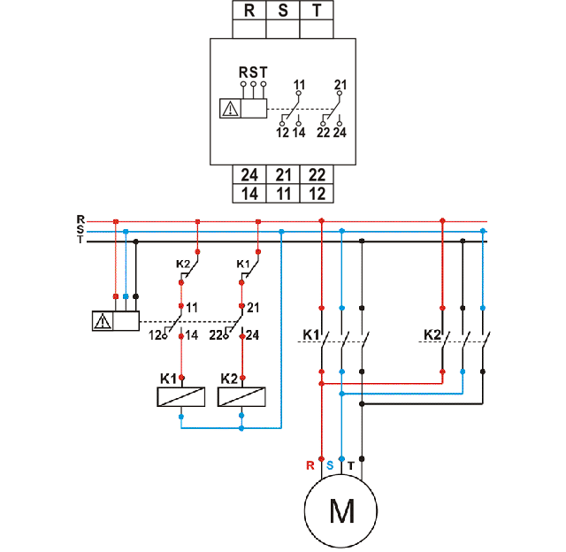
A Minulight apresenta para o mercado seu mais novo supervisor trifásico tempo ajustável com correção automática da sequência das fases, tipo DPX-138, desenvolvido para proteção de equipamentos elétricos trifásicos, que não podem operar quando houver anomalias como falta de fase, inversão da sequência trifásica, desequilíbrio entre fases e sub ou sobre tensão.
Características
- Supervisor de tensão trifásico.
- Ajuste de sub e sobre tensão.
- Tempo de retardo no ligamento e retardo no desligamento, ajustáveis.
- Sequência de fase.
- Falta de fase.
- True RMS.
- 1 saída para controle.
- 1 saída para controle com correção automática da sequência de fase .
- Caixa compacta e resistente.
Funcionamento
Com a rede trifásica equilibrada ligada ao equipamento, o circuito identifica se a sequência trifásica esta convencionada ou não. Caso esteja, ele habilita o controle através da saída 1, inibindo a saída 2. Caso não esteja na sequência, automaticamente habilita o controle através da saída 2, inibindo a saída 1. Em ambos estados a saída permanecera energizada ate que ocorra:
- Falta de fase
- Desequilíbrio entre fases
- Sub ou sobretensão
Os relés DPX-138 possuem dois tempos ajustáveis; um para retardo no ligamento e outro para retardo no desligamento. Este supervisor detecta falta de fase com nível de tensão de retorno, na fase interrompida, menor que 80% da tensão de alimentação. Com sinalização de saída energizada ou desenergizada com indicação por Led. O Led quando aceso indica relé energizado. Quando houver alguma anomalia no sistema como sub ou sobretensão o led vem a piscar. Se a anomalia ultrapassar o tempo de retardo no desligamento, o relé é desenergizado e o led se apaga.
Conceitos de Funcionamento
Desequilíbrio entre fases (ANSI função 60)
O aparelho detecta um desequilíbrio no valor da tensão entre fases superior à 20% do valor nominal (assimetria modular) ou uma defasagem maior que 5% do que os 120°normais entre si (assimetria angular). Os relés serão instantaneamente desenergizados.
Falta de fase (ANSI função 48)
O aparelho detecta a falta de uma das fases da alimentação e desenergizará seus relés de saída sempre que uma delas for inferior em 20% do valor da tensão nominal do aparelho. Isso garante seu funcionamento mesmo quando se supervisiona circuitos com motores elétricos que induzem uma voltagem que aparenta ser a fase que está faltando.
Sequência de fase (ANSI função 47)
Se a sequência convencionada como correta for trocada, o que causaria inversão na rotação dos motores elétricos alimentados por esse circuito, o relé de comando automaticamente é energizado habilitando o circuito que fara a inversão da rede.
Sub ou Sobretensão (ANSI função 27 e 59)
Se o valor de alimentação da rede trifásica diminuir ou aumentar até valores, individualmente ajustáveis no frontal do aparelho, os relés de saída serão desenergizados instantaneamente.
Diagrama(s) de funcionamento

Diagrama(s) de ligação

Ajustes frontais

Dados técnicos
|
Alimentação (-15% +10%) |
110, 220, 380, 440, 460 ou 480 Vca (especificar) |
|
Frequência da rede |
50 – 60 Hz |
|
Consumo |
3 VA (aproximadamente) |
|
Sequência de fase (ANSI 47) |
Positiva: (RST – STR – TRS) |
|
Desequilíbrio entre fases (ANSI 60) |
20% fixo |
|
Subtensão (ANSI 27) |
110 Vca – ajustável de 90 a 110 Vca |
|
Sobretensão (ANSI 59) |
110 Vca – ajustável de 110 a 130 Vca |
|
Ajuste de retardo desligamento |
0 a 20 segundos |
|
Repetibilidade |
Tensão: 2% fim de escala |
|
Histerese |
Tensão: 2% fim de escala |
|
Tempo de comutação |
20 ms |
|
Tempo de comutação após falha |
100 ms |
|
Tempo de retorno |
100 ms |
|
Tempo de estabilização térmica |
< 30 min |
|
Tempo de energização |
< 2 seg. |
|
Relé de saída |
SAÍDA 1= 5 Amp 250 Vca máx. carga resistiva reversível |
|
Material dos contatos |
AgCdO |
|
Vida útil dos contatos |
Mecânica (sem carga): 10.000.000 operações |
|
Temperatura Ambiente |
De trabalho:0 a 50°C |
|
Umidade relativa de trabalho |
20 a 90 % sem condensação |
|
Material da caixa |
Termoplástico |
|
Terminais de saída |
Parafusos com alojamento fixo |
|
Grau de proteção da caixa |
IP 51 |
|
Grau de proteção nos terminais |
IP 20 |
|
Capacidade dos terminais |
Fio: 2,5 mm²
|
|
Fixação |
Trilho DIN 35 mm ou parafuso |
Dimensões (mm)

[/vc_column_text][/vc_column][/vc_row]