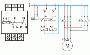
Diagrama(s) de ligação - Relés De Falta E Sequência De Fase

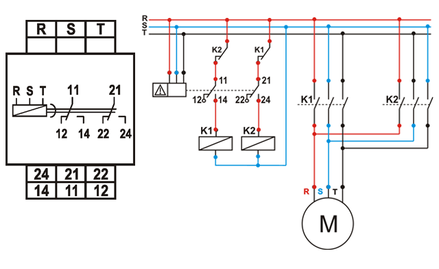
Diagrama(s) de ligação – Relés De Falta E Sequência De Fase

Deixe um comentário

O seu endereço de e-mail não será publicado. Campos obrigatórios são marcados com *