Eletrotécnica
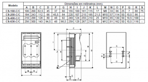
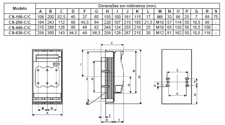
Seccionadora para Fusível NH
O seu endereço de e-mail não será publicado. Campos obrigatórios são marcados com *
Comentário *
Nome *
E-mail *
Site