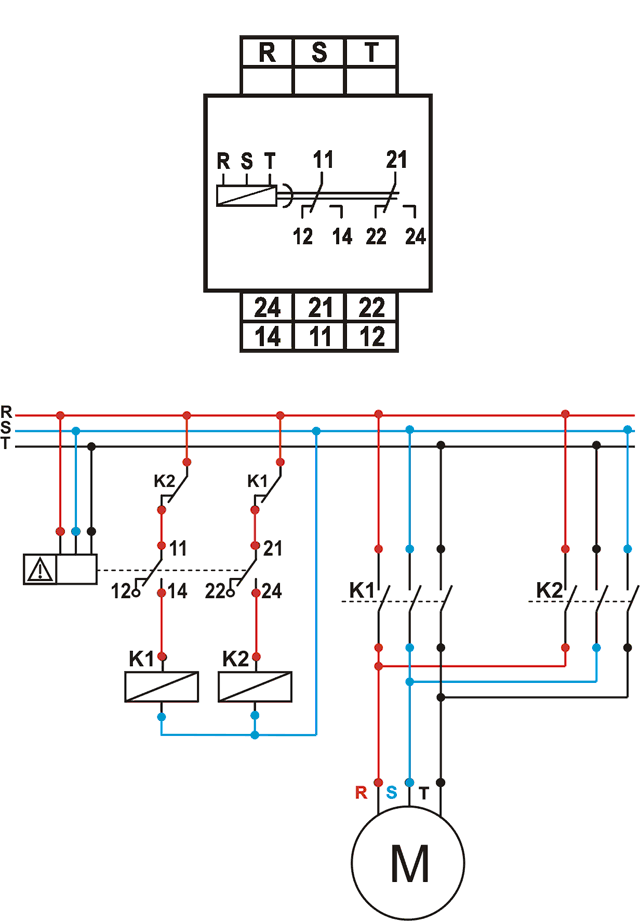
Relé de sequência de fase DPX-136 - Diagrama(s) de ligação

Relé de sequência de fase DPX-136 – Diagrama(s) de ligação

Deixe um comentário

O seu endereço de e-mail não será publicado. Campos obrigatórios são marcados com *